原理特點
PT100鉑熱電阻作為測量元件,輸入的原始信號進入運輸電路運算后可輸出線性的電流信號,通過組合按鍵確認溫度開關設定值與遲滯等設定后,在實際溫度值到達預設定值時輸出對應的開
TK58 數顯溫度控制器
PT100鉑熱電阻作為測量元件,輸入的原始信號進入運輸電路運算后可輸出線性的電流信號,通過組合按鍵確認溫度開關設定值與遲滯等設定后,在實際溫度值到達預設定值時輸出對應的開關量信號,已實現系統中的動作報警或執行。輸出開關量的同時還可以輸出模擬量電流信號。

●就地顯示
●可現場設定
適用于測量水,油,氣類介質
可滿足液壓、潤滑、傳動系統中對于溫度控制的不同要求,用于檢測溫度是否超過最高限或最低限。
| 溫度與精度 | |||||||||
| 量程范圍: | ­30…100℃ | ||||||||
| 環境溫度: | ­30℃…85℃ | ||||||||
| 存儲溫度: | ­30℃…75℃ | ||||||||
| 相對濕度: | 0…80% | ||||||||
| 輸出精度: | ±0.2% FS | ||||||||
| ±0.5% FS | |||||||||
| 顯示精度: | ±0.15 FS | ||||||||
| 顯示方式: | 就地顯示;LED | ||||||||
| 遠傳信號可配合顯示儀表(需另購) | |||||||||
| 傳感器與精度: | PT1000 Class A | ||||||||
| PT100 Class A | |||||||||
| 年漂移量: | ≤ ±0.25%量程 | ||||||||
| 響應時間: | 0.5…3s(典型值1秒) | ||||||||
| 耐壓 材質 防護 | |||||||||
| 探頭尺寸與耐壓: | Φ6 探頭 40 bar | ||||||||
| Φ8 探頭 40 bar | |||||||||
| Φ10 探頭 100 bar | |||||||||
| 電氣倉: | 不銹鋼1.4301(304) | ||||||||
| 接液材質: | 不銹鋼1.4301(304) | ||||||||
| 不銹鋼1.4435 (316L) | |||||||||
| 防護等級: | IP65 | ||||||||
| 適用過程連接 | |||||||||
| 外螺紋 | G1/2 | ||||||||
| G1/4 | |||||||||
| M20*1.5 | |||||||||
| M27*2 | |||||||||
| 協議定制型 | |||||||||
| 輸出供電與接線 | |||||||||
| 電源范圍: | DC 20…30Vdc | ||||||||
| 繼電器負載: | 24Vdc、2A | ||||||||
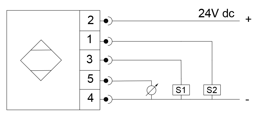
| 輸出信號: | 4…20mA+2路PNP開關量 | ||||||||
| 最大功耗: | <3W | ||||||||
| 電氣連接: | M12*1航空插頭 | ||||||||

| M12航空插座 | 4…20mA+兩路開關量(NPN) | 4…20mA+兩路開關量(PNP) | |||||||||||||||||
|  |  |  | |||||||||||||||||
| 針腳 | 顏色 | 信號 | |||||||
| 2 | 棕色 | 電源正 | |||||||
| 4 | 藍色 | 電源負 | |||||||
| 5 | 灰色 | 4…20mA | |||||||
| 3 | 黑色 | 開關輸出S1 | |||||||
| 1 | 白色 | 開關輸出S2 | |||||||
| 代碼 | 對應量程 | 代碼 | 對應量程 | 代碼 | 對應量程 | |||||||||
| / | / | /PA | 0…50 °C; | /PL | 任意指定量程 (-30…100°C范圍內) | |||||||||
| / | / | /PB | 0…50 °C; | |||||||||||
| /NE | -30…0°C; | /PC | 0…80 °C; | |||||||||||
| /NF | -30…50 °C; | /PD | 0…100 °C; | |||||||||||
| TK58- | 數顯溫度控制器 | |||||||||||||||||
| 輸出類型 | ||||||||||||||||||
| 4…20mA+兩路開關量(PNP) | ||||||||||||||||||
| 探頭直徑 | ||||||||||||||||||
| Φ6 可耐壓40 bar(*) | ||||||||||||||||||
| Φ8 可耐壓40 bar | ||||||||||||||||||
| Φ10 可耐壓100 bar | ||||||||||||||||||
| 螺紋連接方式 | ||||||||||||||||||
| G1/2外螺紋(*) | ||||||||||||||||||
| G1/4外螺紋 | ||||||||||||||||||
| M20*1.5外螺紋 | ||||||||||||||||||
| M27*2外螺紋 | ||||||||||||||||||
| 定制型 | ||||||||||||||||||
| 探頭長度(不含螺紋) | ||||||||||||||||||
| 15mm(*) | ||||||||||||||||||
| 25mm | ||||||||||||||||||
| 50mm(*) | ||||||||||||||||||
| 75mm | ||||||||||||||||||
| 100mm(*) | ||||||||||||||||||
| 定制方式Customized | ||||||||||||||||||
| 溫度量程 | ||||||||||||||||||
| 詳見“常規量程代碼表” | ||||||||||||||||||
| 精度等級 | ||||||||||||||||||
| ±0.2% | ||||||||||||||||||
| ±0.5% | ||||||||||||||||||
| 此PDF不含選型表完整數據,如需選型請聯系銷售人員或發電子郵件至sales@kewill-auto.cn獲得完整樣本。 | ||||||||||||||||||
| 備注:“*”標為現貨常備款或快速交貨型 | ||||||||||||||||||
| KEM- | M12附線接插件 | ||||||
| 自接線柱 | |||||||
| 接插頭 | |||||||
| 直型 | |||||||
| 彎型 | |||||||
| 2米線纜長度 | |||||||
| 5米線纜長度 | |||||||
| 要求線長(m) | |||||||
| KTW- | 焊接底座 | ||||||
| G1/2底座 | |||||||
| G1/4底座 | |||||||
| 異型連接 | |||||||
| K1 | 不銹鋼1.4301(304) | ||||||
| K2 | 不銹鋼1.4435(316L) | ||||||
| C | 定制材質Customized | ||||||
| KTC- | 保護套管 Cannula | ||||||||
| 不銹鋼1.4301(304) | |||||||||
| 不銹鋼1.4435(316L) | |||||||||
| 鈦合金Ti | |||||||||
| 哈氏合金HB | |||||||||
| 探桿與密封面外襯PTFE | |||||||||
| 長度、螺紋、直徑與主品配套 | |||||||||
| 協議另立尺寸、螺紋、直徑 | |||||||||
地址:上海市閔行區梅蓮工業園滬光東路89號2棟1層 (201108)
電話:021-54430662
傳真:021-52271113
郵箱:info@kewill-auto.com.cn