原理特點
FS61系列流量監控器是基于熱交換原理設計,探頭內置發熱模塊以及感熱模塊,發熱模塊的熱消散與被測流體的流速密切相關,如果管道內沒有介質流動,感熱電路接收到的信號是一個固定
FS61基礎型流量監控器
FS61系列流量監控器是基于熱交換原理設計,探頭內置發熱模塊以及感熱模塊,發熱模塊的熱消散與被測流體的流速密切相關,如果管道內沒有介質流動,感熱電路接收到的信號是一個固定值;而當流體介質流過探頭時,感熱電路所接收到的信號隨介質的流速變化而變化,感熱電路將發熱模塊與感熱模塊的溫差信號轉化成電信號,處理器再將其轉換成PNP/NPN/4~20mA/繼電器等信號輸出。

可靠穩定 的電路設計,使流量信號更加精準和穩定,目前已廣泛運用于鋼鐵、冶金 、制藥、化工行業。LED指示流速無可動部件,免維護多種傳感探頭長度可選。一種型號適用于多種管徑要求開關量連續可調幾乎無壓力損失整體。
可用于液壓系統、循環水、切削液及潤滑油的斷流監測、以及泵的空轉保護 。
| 設定范圍: | 3~300cm/s(水),3~300cm/s(油) | 開關精度: | ±1~±10cm/s | 
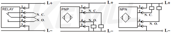
| 信號輸出: | PNP, NPN, 繼電器(SPDT) 模擬量(4~20mA) | 供電: | 24VDC、110VAC、220VAC | 
| 功率: | 5W | 負載: | 5A(繼電器型) | 
| 空載電流: | 最大250mA | 損耗電流: | <60mA | 
| 流量指示: | LED排(6個) | 設定方向: | 電位器設定 | 
| 耐壓范圍: | 100bar | 介質溫度變化: | ≤4℃/s | 
| 響應時間: | 1~10s,典型值2s | 初始化時間: | 約8s | 
| 電氣保護: | 反相,短路,過載保護 | 防護等級: | IP65&IP67 | 
| 介質溫度: | ‘-20~80℃ | 環境溫度: | ‘-20~80℃ | 
| 儲存溫度: | ‘-20~100℃ | 接線方式: | M12*1接插件 | 
| 材質: | 探頭:316L不銹鋼 外殼:316L不銹鋼 | 重量: | 約0.4kg | 
| 探頭長度: | 15mmmmmm按客戶要求特殊定制 | 



85-265VAC

| FS61- | 基礎型流量監控器 | ||||||||
| 連接方式 | |||||||||
| 外螺紋G1/2 | |||||||||
| 外螺紋G1/4 | |||||||||
| 內螺紋M18*1.5 | |||||||||
| 連接方式 | |||||||||
| 接口螺紋 外螺紋 | |||||||||
| 接口螺紋 內螺紋 | |||||||||
| 供電方式 | |||||||||
| DC24V供電 | |||||||||
| 85 to 265VAC供電(高點動作) | |||||||||
| 85 to 265VAC供電(低點動作) | |||||||||
| 輸出信號 | |||||||||
| PNP輸出 | |||||||||
| NPN輸出 | |||||||||
| 繼電器輸出(SPDT) | |||||||||
| 4 to 20mA輸出 | |||||||||
| 探頭長度(不含螺紋) | |||||||||
| 15mm | |||||||||
| 20mm | |||||||||
| 30mm | |||||||||
| 按客戶要求定制(例如40mm選項標識為”N40″) | |||||||||
| 上述選型表不含選型代碼,如需選型代碼請聯系我們或填寫閣下的信息 | |||||||||
| M12附線接插件 | ||||||
| M12附線接插件(屏蔽線) | ||||||
| 自接線柱 | ||||||
| 接插頭 | ||||||
| 直型 | ||||||
| 彎型 | ||||||
| 2米標準線長 | ||||||
| 按客戶要求定制(例如4m選項標識為”N04″) | ||||||
| 焊接配件 | |||
| G1/2底座 | |||
| G1/4底座 | |||
| 異型連接 | |||
地址:上海市閔行區梅蓮工業園滬光東路89號2棟1層 (201108)
電話:021-54430662
傳真:021-52271113
郵箱:info@kewill-auto.com.cn